Pemasangan injap bola:
1. Ia mesti disahkan bahawa saluran paip dan injap telah dibersihkan sebelum beroperasi.
2. Operasi penggerak injap memacu batang injap berputar mengikut saiz isyarat input: apabila ia berputar ke hadapan sebanyak 1/4 pusingan (900), injap ditutup. Apabila berputar secara terbalik sebanyak 1/4 pusingan (900), injap terbuka.
Apabila anak panah penunjuk arah penggerak selari dengan saluran paip, injap terbuka; Apabila anak panah berserenjang dengan saluran paip, injap ditutup.
Penyelenggaraan injap bola:
Hayat perkhidmatan yang lebih lama dan masa lapang penyelenggaraan akan bergantung kepada beberapa faktor: mengekalkan nisbah suhu/tekanan yang harmoni di bawah keadaan kerja biasa, dan data kakisan yang munasabah.

Perhatian: Apabila injap bebola dalam keadaan tertutup, tekanan bendalir di dalam badan injap masih wujud.
Sebelum penyelenggaraan, keluarkan tekanan saluran paip dan letakkan injap dalam kedudukan terbuka.
Sebelum penyelenggaraan, putuskan sambungan kuasa atau sumber udara.
Sebelum penyelenggaraan, tanggalkan penggerak daripada pendakap.
1. Pembungkusan mengunci
Jika pembetung pengisian berada dalam kedudukan bocor sedikit, nat batang injap mesti dikunci.
Perhatian: Jangan kunci dengan ketat, biasanya kunci 1/4 cincin kepada 1 cincin, kebocoran akan berhenti.
2. Mengganti tempat duduk injap dan pengedap
A. Membongkar
Letakkan injap pada kedudukan separuh terbuka dan siram sebarang bahan berbahaya yang berpotensi di dalam dan di luar injap.
Tutup injap bola, keluarkan bolt dan nat pada kedua-dua belah bebibir, dan keluarkan sepenuhnya injap dari saluran paip.
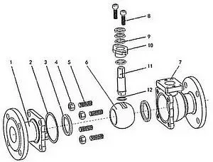
Tanggalkan peranti pemacu mengikut turutan - penggerak, pendakap penyambung, mesin basuh anti longgar, nat batang injap, spring rama-rama, Glenn, plat tahan haus dan pembungkusan batang injap.
Tanggalkan bolt dan nat yang menyambungkan penutup badan, asingkan penutup injap daripada badan injap, dan keluarkan gasket penutup injap.
Sahkan bahawa bola injap berada dalam kedudukan "mati", yang boleh dikeluarkan dengan mudah daripada badan injap, dan kemudian tanggalkan tempat duduk injap.
Tolak batang injap ke bawah perlahan-lahan dari lubang di badan injap sehingga ia dikeluarkan sepenuhnya, kemudian tanggalkan gelang-O dan gelang pembungkusan.
Perhatian: Sila kendalikan dengan berhati-hati untuk mengelak daripada menggaru permukaan batang injap dan meterai pembungkusan injap.
B. Memasang semula
Bersihkan dan periksa bahagian yang telah diperiksa, dan amat disyorkan untuk menggantikan tempat duduk injap, gasket penutup injap, dan mengelak dengan kit alat ganti.
Pasang dalam susunan terbalik pembongkaran dan pemasangan.
Sila ketatkan bolt bebibir dengan tork yang ditentukan.
Ketatkan nat dengan tork yang ditentukan.
Selepas memasang penggerak, putar batang injap untuk memacu teras injap untuk memutarkan isyarat input yang sepadan, supaya injap boleh dialihkan ke kedudukan terbuka dan tertutup.
Jika boleh, lakukan tekanan pengedap dan ujian prestasi pada injap mengikut piawaian selepas memasang saluran paip.







